所有产品 > 科技成果
产品信息图片
锰基锂离子筛聚偏氟乙烯杂化膜用于锂的提取
行业领域:
成熟度:
浏览量: 发布时间:
来源地:天津市-天津市-天津港保税区
  • 产品详情
  • 服务评价
  • 成交记录
  • 详细信息:

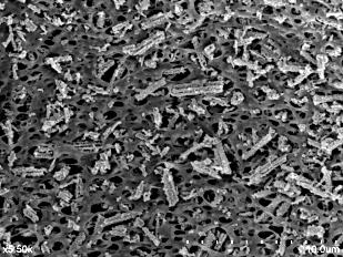
    锰基锂离子筛-聚偏氟乙烯杂化膜是以聚偏氟乙烯(PPSU)、Li 1.6 Mn 1.6 O 4 、聚乙二醇(PEG)、聚乙烯吡咯烷酮(PVP)为主要原料,以无纺布为支撑材料,采用相转化技术制备的高通量分离膜。锰基锂离子筛-聚偏氟乙烯杂化膜实现了锰基锂离子筛吸附过程与膜分离过程的耦合,不仅为锂离子提供了绿色通道,强化了锂离子的传递,而且解决了粉末状锰基锂离子筛过滤压力损耗大、吸附剂粉末回收难等问题。锰基锂离子筛-聚偏氟乙烯杂化膜具有锂离子高选择性、锂离子吸附容量大、循环稳定性好等优点,其在盐湖卤水提锂,特别是在高镁锂比、低锂离子浓度盐湖卤水提锂领域有很好的应用前景。
      联系我们

      张女士 

        

      更多推荐